
Réf :HER01039
Code Constructeur :PGP2412-H

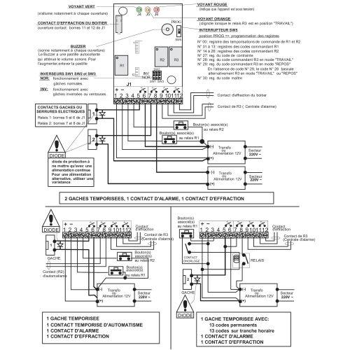
Clavier à codes HERACLES Sécurité
Le clavier à codes de la marque Héraclès est conçu pour offrir un contrôle d'accès sécurisé et efficace. Doté de 30 codes programmables, il intègre des touches rétro-éclairées et des inscriptions en