
Réf :HER01036
Code Constructeur :PCD288-H

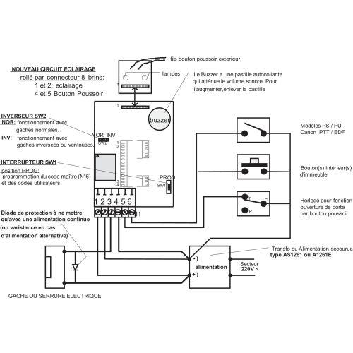
Portacodes HERACLES à rétroéclairage
Clavier étanche à 12 touches rétro-éclairées aluminium gravées de 0 à 9, ainsi que A et B.
29 codes de 3 à 8 termes d'ouverture de porte et 1 code de programmation.Programmation et changement des c